Raritan
REGULAR PRICE $4,413.60
(You Save $833.68)
The Raritan PX3-5747I2-V2 is a high-performance 0U vertical PDU designed for demanding data center environments requiring precise power distribution and monitoring. This intelligent PDU delivers 34.5kVA of power capacity through a robust 3-phase 415V AC configuration, making it ideal for high-density server deployments and critical infrastructure applications.
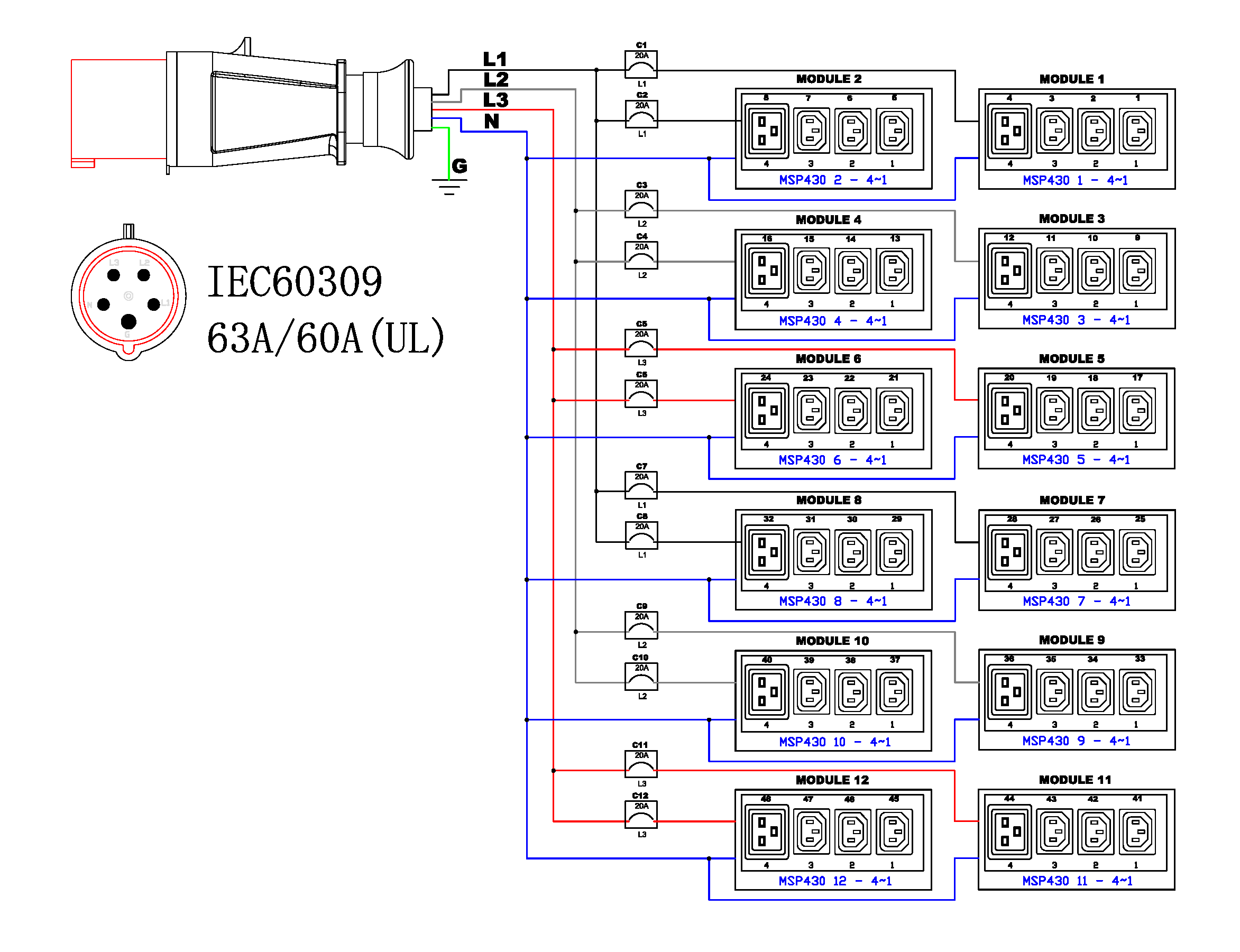
The PX3-5747I2-V2 features a 3-phase Wye configuration with 415V AC input and 60A capacity (48A per phase rated). The unit provides 48 total outlets consisting of 36 C13 outlets for standard server connections and 12 C19 outlets for higher-power equipment. Input connectivity is achieved through an IEC 60309 3P+N+E 6h 60A plug with Wye bottom-front feed configuration.
This PDU incorporates Raritan's advanced PX3 platform technology, delivering outlet-level metered and switched capabilities that enable precise monitoring of power consumption, voltage, current, and power factor at each individual outlet. The intelligent switching functionality allows for remote power cycling and scheduled operations, essential for lights-out data center management.
The Raritan PX3-5747I2-V2 (manufacturer part number PX3-5747I2-V2) is engineered for enterprise data centers, colocation facilities, and high-availability computing environments where reliable power distribution and granular monitoring are critical. Its 34.5kVA capacity and 48-outlet configuration make it suitable for dense server deployments, network equipment racks, and mixed IT infrastructure requiring both standard and high-power connections.
The vertical 0U form factor maximizes rack space utilization while the comprehensive monitoring and switching capabilities support advanced power management strategies, capacity planning, and energy efficiency initiatives essential for modern data center operations.
Raritan
REGULAR PRICE $4,413.60
(You Save $833.68)
The Raritan PX3-5747I2-V2 is a high-performance 0U vertical PDU designed for demanding data center environments requiring precise power distribution and monitoring. This intelligent PDU delivers 34.5kVA of power capacity through a robust 3-phase 415V AC configuration, making it ideal for high-density server deployments and critical infrastructure applications.
The PX3-5747I2-V2 features a 3-phase Wye configuration with 415V AC input and 60A capacity (48A per phase rated). The unit provides 48 total outlets consisting of 36 C13 outlets for standard server connections and 12 C19 outlets for higher-power equipment. Input connectivity is achieved through an IEC 60309 3P+N+E 6h 60A plug with Wye bottom-front feed configuration.
This PDU incorporates Raritan's advanced PX3 platform technology, delivering outlet-level metered and switched capabilities that enable precise monitoring of power consumption, voltage, current, and power factor at each individual outlet. The intelligent switching functionality allows for remote power cycling and scheduled operations, essential for lights-out data center management.
The Raritan PX3-5747I2-V2 (manufacturer part number PX3-5747I2-V2) is engineered for enterprise data centers, colocation facilities, and high-availability computing environments where reliable power distribution and granular monitoring are critical. Its 34.5kVA capacity and 48-outlet configuration make it suitable for dense server deployments, network equipment racks, and mixed IT infrastructure requiring both standard and high-power connections.
The vertical 0U form factor maximizes rack space utilization while the comprehensive monitoring and switching capabilities support advanced power management strategies, capacity planning, and energy efficiency initiatives essential for modern data center operations.















