Raritan
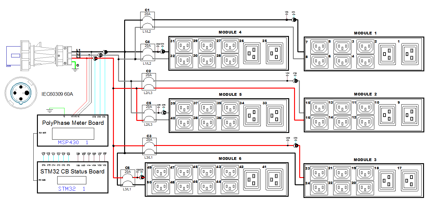
3PH, 208V AC, 60A (48A/PH rated); 50 outlets: 38x C13, 12x C19; plug: IEC 60309 3P+E 9h 60A, Unit Metered
Monitored rack power distribution unit (0U [vertical], 17.3kVA, 50 outlets). INPUT: 208v (3-phase DELTA), 60a - IEC 60309 3P+E 9h 60A plug (3P4W); OUTPUT: 38@ C13, 8@ C19 outlets; on 6@ 2-pole, 20a Overcurrent Protectors; FEATURES: Billing-Grade (+/- 1%) Energy Metering [kW, kVA, V, A, Power Factor] - per inlet, per breaker/fuse; Remote network monitoring via HTML, JSON-RPC, SSH, Telnet, MODBUS/TCP, and SNMPv3. Onboard embedded processor with minimum 536MHz clock speed, 16MB SPI Flash, and 64MB DDR2 RAM. Cascading upto 16 PDU's using single Ethernet or USB connection. Environmental monitoring [temp/humidity] capable – up to 32 sensors. Individual outlet numbers labeled on chassis. Automated deployment via TFTP, DHCP, SSH(CLI), or USB Flash Drives. WiFi Capable. USB Webcam Capable. iPad/iPhone/Android App. Dual 10/100/1000 Ethernet port. Breaker metering and alarming (0V detection). Max Dimensions 52mm x 55mm x 1780mm (2.1in x 2.2in x 70.1in). Max Weight 12.2 kg. Maximum ambient temperature 60C at full load.
Energy Metering
Voltage (V), Current (A), Active Power (kW), Real Power (kVA), Energy (kWh), Power Factor
Metering Accuracy
ISO/IEC 62053-21 1%
Remote Outlet Switching
No
Metering per input line
Yes for all models
Metering per Branch Circuit Breaker
Yes
Environmental Sensor Ready
Yes
Compatible Sensors
Temperature, Humidity, Air Flow, Differential Pressure, Water Leak, and Contact Closure.
Cascading
Yes, Max 16 PDUs can be daisy chained using a USB or Ethernet connection.
Networking
(10/100/1000 Base T) Ethernet, Secondary redundant (10/100/1000 Base T) Ethernet. Optional WiFi (802.11 a/b/g/n).
Onboard Display
Color, matrix LCD display : Voltage, current, or active power (per line or per breaker); Alarms; Configuration information (name, ratings, IP / Networking information). Auto-flip orientation
Input Plug
IEC 60309 3P+E 9h 60A (3P4W)
Nominal Voltage
208V
Maximum Input Current
60A
Rated Input Current
48A
Power Capacity
17.3kVA
Cord Length
3m
Nominal Voltage
208V
Receptacles (Output Connections)
(38) IEC320 C13
(12) IEC320 C19
Overload Protection
(6) LEGBX66-20
Dimensions (WxDxH)
2.3in x 3.1in x 78.0in; 59mm x 80mm x 1981mm
Shipping Weight
34.1 lbs
Shipping Dimensions
380mm x 140mm x 2297mm
Mounting
G3-RACK-FOR-ZU
Operating Temperature/Environment
60 C
Operating Relative Humidity
85%
Operating Elevation
0-6000ft
Regulatory Approvals
UL
Warranty
Standard 2 years manufacturer warranty












REGULAR PRICE $2,556.00
(You Save $482.80)
Raritan
REGULAR PRICE $2,556.00
(You Save $482.80)
3PH, 208V AC, 60A (48A/PH rated); 50 outlets: 38x C13, 12x C19; plug: IEC 60309 3P+E 9h 60A, Unit Metered
Monitored rack power distribution unit (0U [vertical], 17.3kVA, 50 outlets). INPUT: 208v (3-phase DELTA), 60a - IEC 60309 3P+E 9h 60A plug (3P4W); OUTPUT: 38@ C13, 8@ C19 outlets; on 6@ 2-pole, 20a Overcurrent Protectors; FEATURES: Billing-Grade (+/- 1%) Energy Metering [kW, kVA, V, A, Power Factor] - per inlet, per breaker/fuse; Remote network monitoring via HTML, JSON-RPC, SSH, Telnet, MODBUS/TCP, and SNMPv3. Onboard embedded processor with minimum 536MHz clock speed, 16MB SPI Flash, and 64MB DDR2 RAM. Cascading upto 16 PDU's using single Ethernet or USB connection. Environmental monitoring [temp/humidity] capable – up to 32 sensors. Individual outlet numbers labeled on chassis. Automated deployment via TFTP, DHCP, SSH(CLI), or USB Flash Drives. WiFi Capable. USB Webcam Capable. iPad/iPhone/Android App. Dual 10/100/1000 Ethernet port. Breaker metering and alarming (0V detection). Max Dimensions 52mm x 55mm x 1780mm (2.1in x 2.2in x 70.1in). Max Weight 12.2 kg. Maximum ambient temperature 60C at full load.
Energy Metering
Voltage (V), Current (A), Active Power (kW), Real Power (kVA), Energy (kWh), Power Factor
Metering Accuracy
ISO/IEC 62053-21 1%
Remote Outlet Switching
No
Metering per input line
Yes for all models
Metering per Branch Circuit Breaker
Yes
Environmental Sensor Ready
Yes
Compatible Sensors
Temperature, Humidity, Air Flow, Differential Pressure, Water Leak, and Contact Closure.
Cascading
Yes, Max 16 PDUs can be daisy chained using a USB or Ethernet connection.
Networking
(10/100/1000 Base T) Ethernet, Secondary redundant (10/100/1000 Base T) Ethernet. Optional WiFi (802.11 a/b/g/n).
Onboard Display
Color, matrix LCD display : Voltage, current, or active power (per line or per breaker); Alarms; Configuration information (name, ratings, IP / Networking information). Auto-flip orientation
Input Plug
IEC 60309 3P+E 9h 60A (3P4W)
Nominal Voltage
208V
Maximum Input Current
60A
Rated Input Current
48A
Power Capacity
17.3kVA
Cord Length
3m
Nominal Voltage
208V
Receptacles (Output Connections)
(38) IEC320 C13
(12) IEC320 C19
Overload Protection
(6) LEGBX66-20
Dimensions (WxDxH)
2.3in x 3.1in x 78.0in; 59mm x 80mm x 1981mm
Shipping Weight
34.1 lbs
Shipping Dimensions
380mm x 140mm x 2297mm
Mounting
G3-RACK-FOR-ZU
Operating Temperature/Environment
60 C
Operating Relative Humidity
85%
Operating Elevation
0-6000ft
Regulatory Approvals
UL
Warranty
Standard 2 years manufacturer warranty











