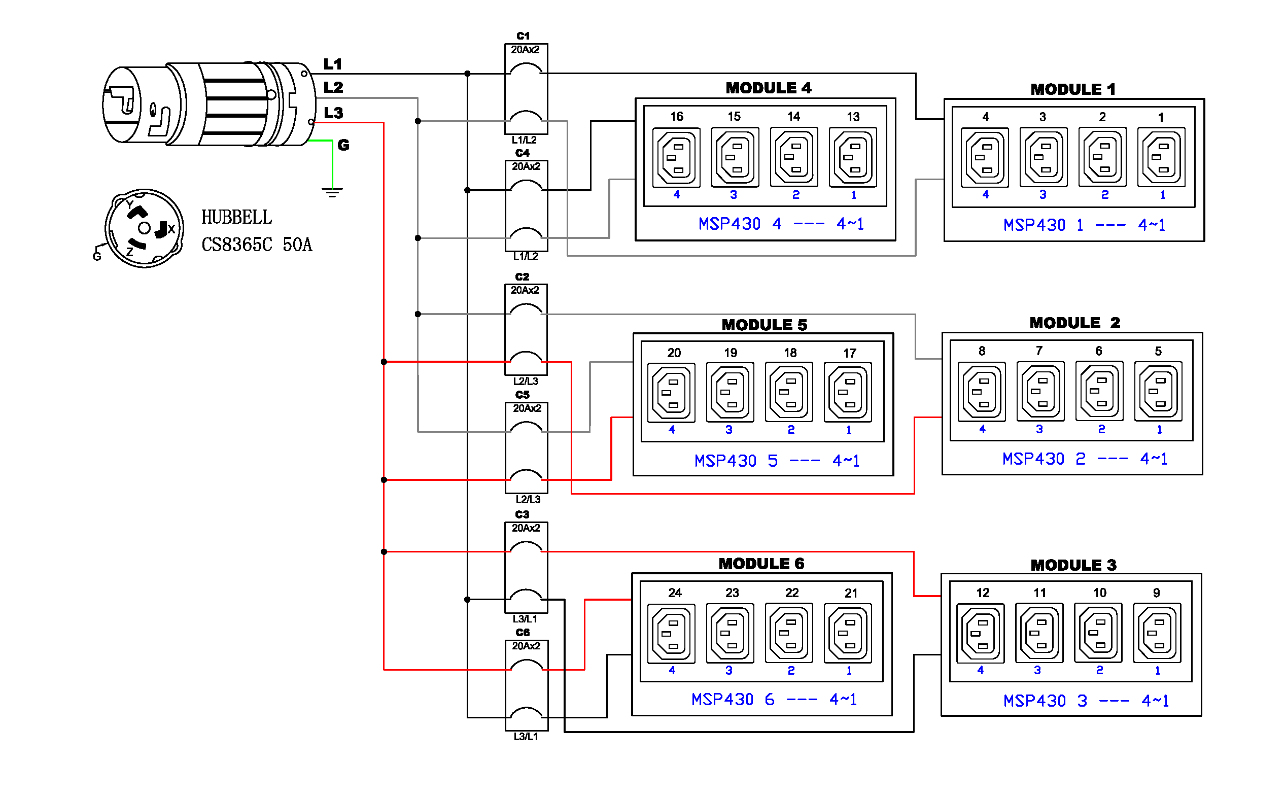
3PH, 208V AC, 50A (40A/PH rated); 24 outlets: 24x C13; plug: Hubbell CS8365C (Delta Bottom-bottom feed), 14.4kVA; Outlet Metered, Zero U vertical PDU
Monitored rack power distribution unit (0U [vertical], 14.4kVA, 24 outlets). INPUT: 208v (3-phase DELTA), 50a - CS8365C plug (3P4W); OUTPUT: 24@ C13 outlets; on 6@ 2-pole, 20a Overcurrent Protectors; FEATURES: Billing-Grade (+/- 1%) Energy Metering [kW, kVA, V, A, Power Factor] - per inlet, per breaker/fuse, per outlet; Remote network monitoring via HTML, JSON-RPC, SSH, Telnet, MODBUS/TCP, and SNMPv3. Onboard embedded processor with minimum 536MHz clock speed, 16MB SPI Flash, and 64MB DDR2 RAM. Cascading upto 16 PDU's using single Ethernet or USB connection. Environmental monitoring [temp/humidity] capable – up to 32 sensors. Individual outlet numbers labeled on chassis. Automated deployment via TFTP, DHCP, SSH(CLI), or USB Flash Drives. WiFi Capable. USB Webcam Capable. iPad/iPhone/Android App. Dual 10/100/1000 Ethernet port. Tri-color status LED per receptacle. Breaker metering and alarming (0V detection). Max Dimensions 59mm x 80mm x 1780mm (2.3in x 3.2in x 70.1in). Max Weight TBD. Maximum ambient temperature 60C at full load.
208V, 3Φ Delta, 14.4kVA, 40A
Energy Metering
Voltage (V), Current (A), Active Power (kW), Real Power (kVA), Energy (kWh), Power Factor
Metering Accuracy
ISO/IEC 62053-21 1%
Remote Outlet Switching
No
Metering per input line
Yes for all models
Metering per Branch Circuit Breaker
Yes
Environmental Sensor Ready
Yes
Compatible Sensors
Temperature, Humidity, Air Flow, Differential Pressure, Water Leak, and Contact Closure.
Cascading
Yes, Max 16 PDUs can be daisy chained using a USB or Ethernet connection.
Networking
(10/100/1000 Base T) Ethernet, Secondary redundant (10/100/1000 Base T) Ethernet. Optional WiFi (802.11 a/b/g/n).
Onboard Display
Color, matrix LCD display : Voltage, current, or active power (per line, per breaker, or per receptacle / outlet); Alarms; Configuration information (name, ratings, IP / Networking information). Auto-flip orientation
Input Plug
CS8365C (3P4W)
Nominal Voltage
208V
Maximum Input Current
50A
Rated Input Current
40A
Power Capacity
14.4kVA
Cord Length
3m
Nominal Voltage
208V
Receptacles (Output Connections)
(24) IEC320 C13
Overload Protection
(6) LEGBX66-20
Dimensions (WxDxH)
2.3in x 3.2in x 70.1in; 59mm x 80mm x 1780mm
Unit Weight
18.5 lbs
Shipping Weight
21 lbs
Shipping Dimensions
368mm x 135mm x 2104mm
Mounting
G3-RACK-FOR-ZU
Operating Temperature/Environment
60 C
Operating Relative Humidity
85%
Operating Elevation
0-6000ft
Regulatory Approvals
UL
Warranty
Standard 2 years manufacturer warranty










REGULAR PRICE $2,556.00
(You Save $482.80)
REGULAR PRICE $2,556.00
(You Save $482.80)
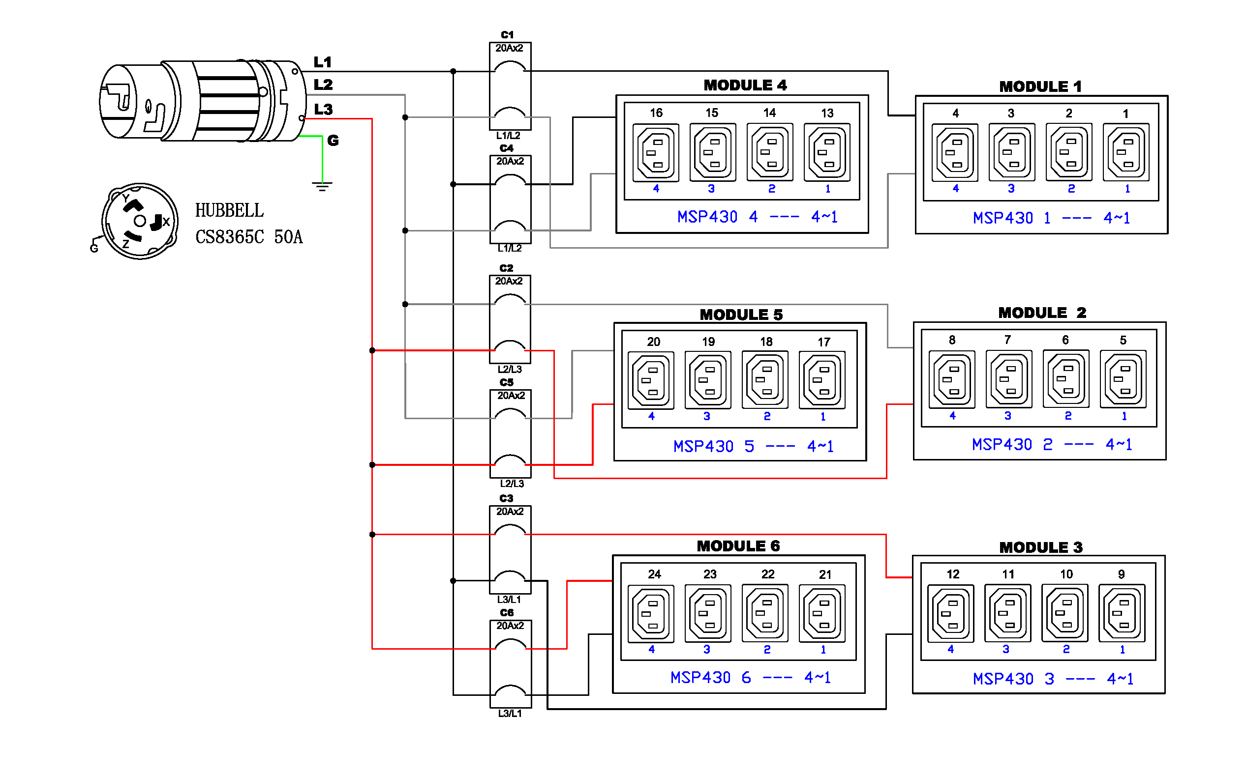
3PH, 208V AC, 50A (40A/PH rated); 24 outlets: 24x C13; plug: Hubbell CS8365C (Delta Bottom-bottom feed), 14.4kVA; Outlet Metered, Zero U vertical PDU
Monitored rack power distribution unit (0U [vertical], 14.4kVA, 24 outlets). INPUT: 208v (3-phase DELTA), 50a - CS8365C plug (3P4W); OUTPUT: 24@ C13 outlets; on 6@ 2-pole, 20a Overcurrent Protectors; FEATURES: Billing-Grade (+/- 1%) Energy Metering [kW, kVA, V, A, Power Factor] - per inlet, per breaker/fuse, per outlet; Remote network monitoring via HTML, JSON-RPC, SSH, Telnet, MODBUS/TCP, and SNMPv3. Onboard embedded processor with minimum 536MHz clock speed, 16MB SPI Flash, and 64MB DDR2 RAM. Cascading upto 16 PDU's using single Ethernet or USB connection. Environmental monitoring [temp/humidity] capable – up to 32 sensors. Individual outlet numbers labeled on chassis. Automated deployment via TFTP, DHCP, SSH(CLI), or USB Flash Drives. WiFi Capable. USB Webcam Capable. iPad/iPhone/Android App. Dual 10/100/1000 Ethernet port. Tri-color status LED per receptacle. Breaker metering and alarming (0V detection). Max Dimensions 59mm x 80mm x 1780mm (2.3in x 3.2in x 70.1in). Max Weight TBD. Maximum ambient temperature 60C at full load.
208V, 3Φ Delta, 14.4kVA, 40A
Energy Metering
Voltage (V), Current (A), Active Power (kW), Real Power (kVA), Energy (kWh), Power Factor
Metering Accuracy
ISO/IEC 62053-21 1%
Remote Outlet Switching
No
Metering per input line
Yes for all models
Metering per Branch Circuit Breaker
Yes
Environmental Sensor Ready
Yes
Compatible Sensors
Temperature, Humidity, Air Flow, Differential Pressure, Water Leak, and Contact Closure.
Cascading
Yes, Max 16 PDUs can be daisy chained using a USB or Ethernet connection.
Networking
(10/100/1000 Base T) Ethernet, Secondary redundant (10/100/1000 Base T) Ethernet. Optional WiFi (802.11 a/b/g/n).
Onboard Display
Color, matrix LCD display : Voltage, current, or active power (per line, per breaker, or per receptacle / outlet); Alarms; Configuration information (name, ratings, IP / Networking information). Auto-flip orientation
Input Plug
CS8365C (3P4W)
Nominal Voltage
208V
Maximum Input Current
50A
Rated Input Current
40A
Power Capacity
14.4kVA
Cord Length
3m
Nominal Voltage
208V
Receptacles (Output Connections)
(24) IEC320 C13
Overload Protection
(6) LEGBX66-20
Dimensions (WxDxH)
2.3in x 3.2in x 70.1in; 59mm x 80mm x 1780mm
Unit Weight
18.5 lbs
Shipping Weight
21 lbs
Shipping Dimensions
368mm x 135mm x 2104mm
Mounting
G3-RACK-FOR-ZU
Operating Temperature/Environment
60 C
Operating Relative Humidity
85%
Operating Elevation
0-6000ft
Regulatory Approvals
UL
Warranty
Standard 2 years manufacturer warranty









